电液推杆原理图动作图(电液推杆工作原理)
电液推杆工作原理
电液推杆也叫液压推杆,是以电动机位电力源,通过电机的正反转,带动双向动力泵输出压力油,经过控制阀组,输送至油缸,实现油缸活塞杆的往复运动。

电液推杆工作原理(图)
以下为您介绍电液推杆的心脏:电液推杆组合阀

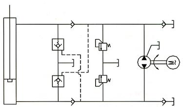
电液推杆组合阀是电液推杆的核心控制组件,其结构如(图2)所示,它通过阀体内部将两个溢流阀阀芯,两个单向阀阀芯、两个单向球阀阀芯连接,集合成结构及功能对称的组合阀,组合阀主要功能为:调节系统压力、控制电液推杆输出力的大小、控制液流方向及活塞杆运动方向、系统过载保护等。
电液推杆组合阀工作原理

电液推杆组合阀原理图(图3),该图的组合阀通过阀体内部孔道将 阀2、阀3、阀4、阀8、阀9、阀10 组成功能对称的压力控制、方向控制回路,其主要功能为:调节系统压力控制液压系统输出压力的大小;控制液压流向及往返运动,系统过载保护。
电液推杆工作机制
1、活塞杆外行时:电机正转时,双向泵左边油口为出油口,液压油经过单向阀3进入油缸5的无杆缸腔,同时液控单向阀8打开,油缸5的有 杆缸腔的油经过8回油箱。
2、活塞杆内行时:电机反转,双向齿轮泵1右边油口为出油口,液压油进过单向阀9进入油缸5的有杆腔,同时控制单向阀4打开,油缸5的无杆腔的油经过阀4回油箱。
3、系统压力调节及过载保护:活塞杆外行时压力调节,由溢流球阀控制2控制,当过载时限定系统高压力,即控制电液推杆输出的大推力。活塞杆内行过程压力调节,由溢流阀10控制当过载时系统高压力,即控制单向阀输出的大推力。
电液推杆工作原理,包括电液推杆液压原理图、电液推杆组合阀原理图,若有疑问可直接联系厂家获得技术支持。

上一篇: 五种常见阀门类型泄漏的原因以及维护方法


